Vzduchomembránové čerpadlo RUBY 2" AL/EPDM
Popis
Vzduchomembránové čerpadlo značky RUBY v hliníkovém provedení s membránami z materiálu EPDM (Nordel) je vhodné na různé olejové emulze s teplotou média do max. 95 °C. Maximální výkon: 700 l/min.
Nelze jej použít pro hořlaviny a ve výbušném prostředí (ATEX zóna).
Vhodnost materiálového provedení čerpadla na konkrétní médium s Vámi rádi prokonzultujeme.
Max. hustota média (negativní sací výška): 1,4 kg/l (1400 kg/m3) při 20 °C
Max. viskozita média (negativní sací výška): 5 Pa·s (5.000 cps) při 20 °C
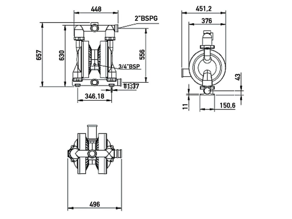
Technické parametry:
■ Připojení sání/výtlak: 2" BSP vnitřní
■ Připojení vzduchu: 3/4" BSP vnitřní
■ Max. průtok: 700 l/min. (platí pro vodu pri teplotě 20 °C)
■ Max. tlak vzduchu: 7 bar
■ Max. výtlační výška: 70 m
■ Sací výška: 5 m (nasucho)
■ Pevné částice max.: 8,0 mm
Materiálové provedení:
■ Smáčené díly: hliník
■ Membrány: EPDM
■ Koule ventilů: EPDM
■ Sedla ventilů: EPDM
■ O-kroužky: -

| Hmotnost | 35 kg |
Buďte první, kdo napíše příspěvek k této položce.
