Vzduchomembránové čerpadlo RUBY 1/2" AISI316/PTFE sanitární
Popis
Vzduchomembránové sanitární čerpadlo značky RUBY v nerezovém (AISI316 leštěná Ra 0,8 µm) provedení s membránami z materiálu PTFE (Teflon) je vhodné do potravinářského, farmaceutického a kosmetického průmyslu s teplotou média do max. 95 ° C. Maximální výkon: 62 l / min.
Nelze jej použít pro hořlaviny a ve výbušném prostředí (ATEX zóna). Je možné navrhnout i model s ATEX certifikátem II 2G Ex h IIB T4 Gb.
Čerpadlo je možné použít na tyto typy médií:
■ potravinářský průmysl: hořčice, kečup, majonéza, rajčata, mléko, smetana, sýry, barviva, ovocné šťávy, slad, pivo
■ kosmetický průmysl: mýdlo, zubní pasta, šampon, krémy

Max. hustota média (negativní sací výška): 1,4 kg/l (1400 kg/m3) při 20 °C
Max. viskozita média (negativní sací výška): 5 Pa·s (5.000 cps) při 20 °C
Technické parametry:
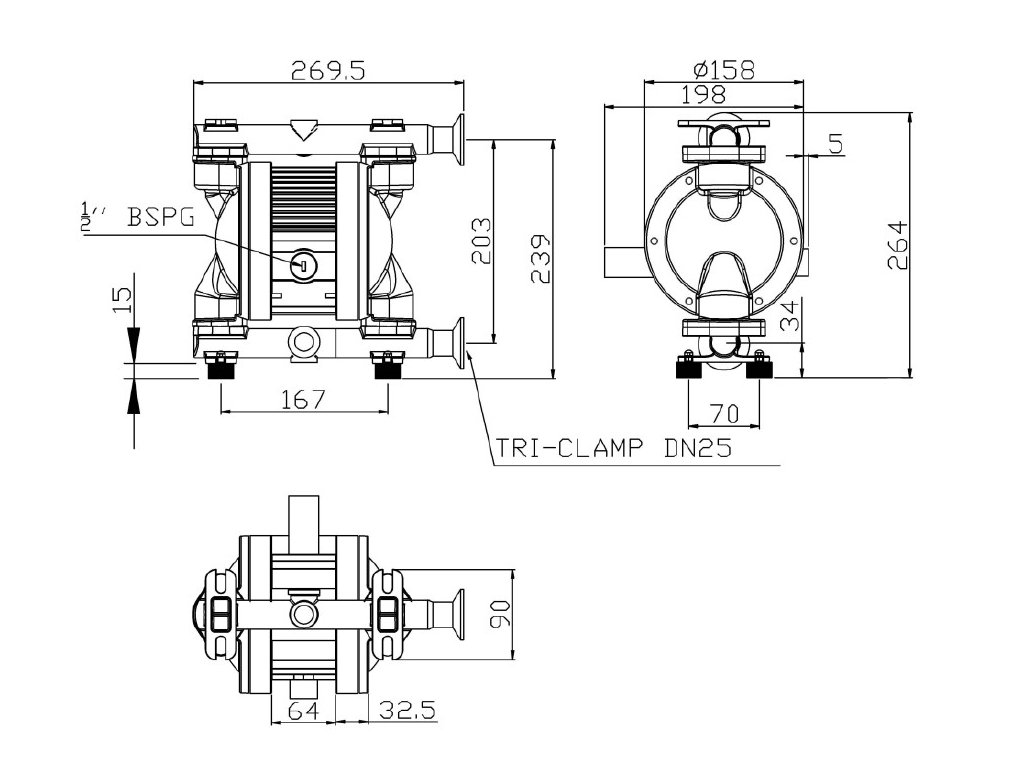
■ Připojení sání/výtlak: DN25 TRI-CLAMP
■ Připojení vzduchu: 1/2" BSP vnitřní
■ Max. průtok: 62 l/min. (platí pro vodu pri teplotě 20 °C)
■ Max. tlak vzduchu: 7 bar
■ Max. výtlační výška: 70 m
■ Sací výška: 3 m (nasucho)
■ Pevné částice max.: 3,0 mm
Materiálové provedení:
■ Smáčené díly: AISI316 leštěná Ra 0,8 µm (splňuje požadavky FDA)
■ Membrány: PTFE (splňuje požadavky FDA)
■ Koule ventilů: PTFE (splňuje požadavky FDA)
■ Sedla ventilů: AISI316 leštěná (splňuje požadavky FDA)
■ O-kroužky: PTFE (splňuje požadavky FDA)

| Hmotnost | 9 kg |
Buďte první, kdo napíše příspěvek k této položce.
